Home  >  Products > GNSS Module > High-precision Module > GAM > JS-A56U9D
JS-A56U9D
JS-A56U9D
JS-A56U9D
JS-A56U9D
JS-A56U9D
JS-A56U9D
JS-A56U9D
JS-A56U9D
JS-A56U9D
JS-A56U9D
JS-A56U9D
JS-A56U9D
JS-A56U9D JS-A56U9D

JS-A56U9D

High Precision GNSS Module with Antenna

The JS-A56U9D is a high-performance concurrent GNSS receiver capable of tracking multiple systems simultaneously. With its advanced multi-band RF front-end, it supports GPS, QZSS, SBAS, Galileo, GLONASS, and BDS. By processing all visible satellites with correction data, it delivers precise RTK navigation. Powered by the JS-A56U9D engine, it offers exceptional sensitivity, fast acquisition, and robust interference suppression, ensuring reliable positioning even in challenging environments.

Share:

Product Features

  • Build on high performance GNSS single chip

  • 192 search channels and 60 trace channels

  • Cold start acquisition sensitivity of -148dBm and -167dBm tracking sensitivity

  • Default 1Hz navigation update rate

  • Supports GPS,BDS, GLONASS, Galileo and QZSS,SBAS

  • Integrated TCXO, LNA, SAW, RTC

  • Configurable peripheral IO pins

  • Integrated high gain antenna

  • Low power consumption and it has intelligent power control mechanism

  • Single supply with wide voltage range

  • Compact size (56.0*56.0*17.2mm±0.3mm) suitable for space-sensitive application

  • Rich hardware interface to support multiple configurations. UART, I2C, RS232, USB

  • This module can be equipped with VCM5883 (IST8310) Address(8-bit)=1EH

Performance

ParameterSpecification
Receiver typeMulti-band GNSS high precision receiver
Accuracy of time pulse signalRMS30 ns
99%60 ns
Frequency of time pulse signal0.25 Hz to 10 MHz(configurable)
Operational limitsDynamics≤ 4 g
Altitude80,000 m
Velocity500 m/s
Velocity accuracy0.05 m/s
Dynamic heading accuracy0.3 deg

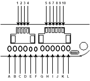
Pin Parameters

Pin Parameters
No.NameI/ODescription
A1RX2ISerial Port(UART 2: dedicated for RTCM3 corrections and NMEA. No UBX protocol is supported)
B2TX2OSerial Port(UART 2: dedicated for RTCM3 corrections and NMEA. No UBX protocol is supported)
C3GNDGGround
D4G-STOGeofence status, user defined
E--RXIGPS RX Test
F--TXOGPS TX Test
G5SCLI/OI2C Clock(keep open if not used)
H6RX/PISerial Port(UART 1:primary host communications)
I7TX/MOSerial Port(UART 1:primary host communications)
J8GNDGGround
K9VCCPMain Supply
L10SDAI/OI2C Data(keep open if not used)

Product Application

  • UAV

  • Automotive application

  • Precision agriculture

  • AVL and Location-Based Services

  • Marine Navigation, Fleet Management

  • Intelligent logistics scheduling

  • Measurement of surveying and mapping

  • Personnel protective

  • Driving test

  • Car navigation and tracking

  • Geographic Surveying

  • Intelligent robot

Protocols

ProtocolType
NMEA 0183 V4.11/ V4.0/V4.1Input/output, ASCII
RTCM 3.3Input/output, binary
UBXInput/output, binary, u-blox proprietary